Chefs Culinar is een van origine Duitse horecagroothandel met locaties door geheel Duitsland en een vestiging in Nederland.

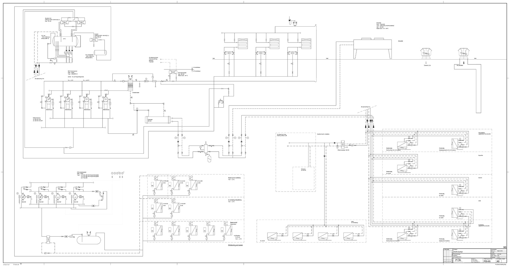
Op basis van een bijzonder ontwerp van Intex architecten uit Arnhem wordt door Meijer verduurzaamt via Innax Installatieadviseurs uit Veenendaal het ontwerp gemaakt voor de industriële koel- en vriesinstallatie. Er is nieuwbouw met een vriescel, expeditie, opslag, vleesproductieafdeling en een bestaand gebouw, waarin onder andere een visproductieafdeling komt. Meijer verduurzaamt is verantwoordelijk voor het volledige ontwerp van de koel- en vriesinstallatie op basis van ammoniak/CO2, waarbij middels restwarmte ook wordt voorzien in tapwater en het verwarmen en koelen van kantoren.

Het gebouw wordt medio mei 2020 opgeleverd. Meijer verduurzaamt verzorg heeft het ontwerp gemaakt en de aanbesteding begeleidt.