
Duurzaam warmteconcept voor Groen Gas Gelderland
Groen Gas Gelderland BV zocht een oplossing om het gasverbruik te verminderen bij de productie van groen gas. Via een relatie kwam ik in beeld, omdat zij de expertise op het gebied van warmtepompen niet hadden.
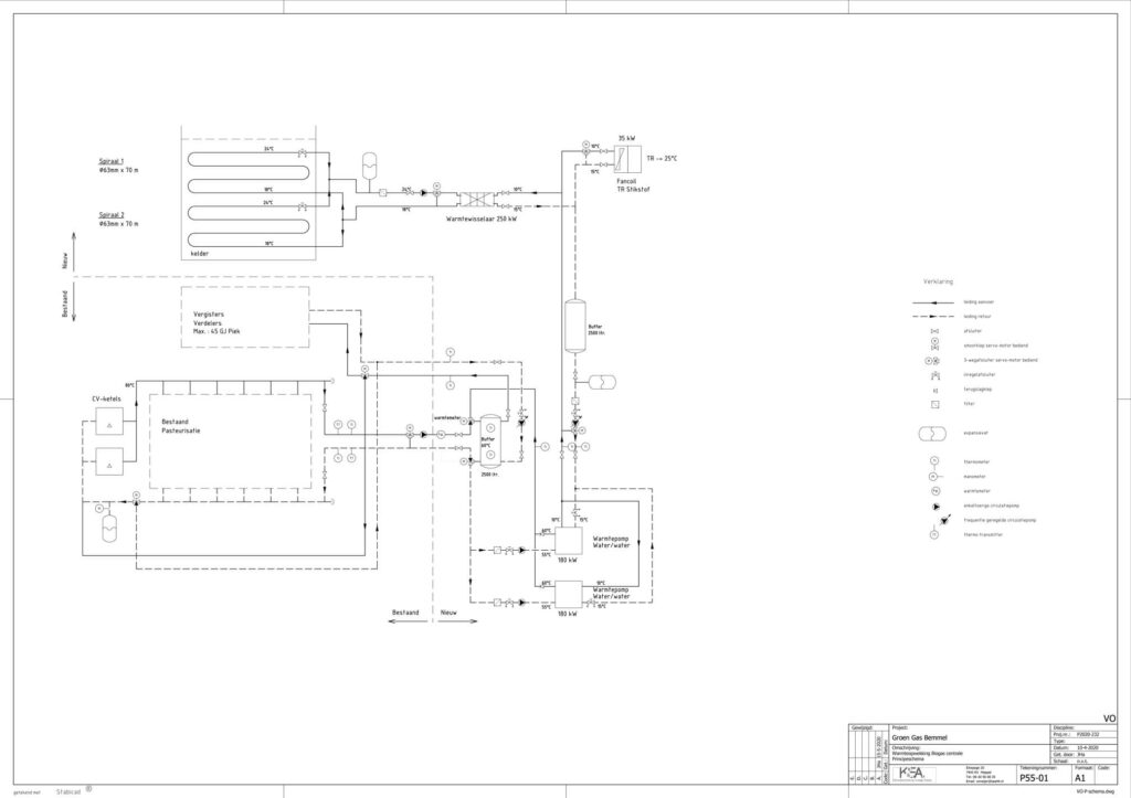
Bij de productie werd veel aardgas gebruikt, wat resulteerde in hoge kosten. Tegelijkertijd was er veel restwarmte beschikbaar, die nog niet optimaal werd benut. Ik analyseerde de bestaande situatie en ontwierp een installatieconcept waarbij restwarmte werd ingezet om met warmtepompen een hoge watertemperatuur te genereren. Hierdoor konden de grote gasgestookte CV-ketels vervangen worden door een duurzamere oplossing.
Het concept maakte gebruik van restproducten uit de mestverwerking, waarbij we het restproduct afkoelden om warmte op te wekken. Helaas is dit plan niet tot uitvoering gekomen, maar het laat wel zien hoe innovatieve verduurzamingsoplossingen ingezet kunnen worden om energieverbruik te verminderen en kosten te verlagen.



